PortuguêsEndereço
| Status de disponibilidade: | |
|---|---|
| Quantidade: | |
DIN916 DIN913
YPH
DESCRIÇÃO:
Os parafusos de fixação de soquete da YPH Fasteners são usados em aplicações que exigem um forte poder de retenção por meio de compressão. Eles são usados na construção de colares de eixo, portas de saída, maçanetas e barras de proteção. Eles devem ser apertados o suficiente para manter a posição comprimida sem quebrar devido ao torque aplicado. A força de retenção axial do parafuso pode ser aumentada apertando-o mais. Existem vários estilos em que esses parafusos podem ser usados.
Dependendo da necessidade de usinagem, são utilizados na montagem de conjuntos de peças permanentes e semipermanentes. Esses parafusos obtêm a capacidade de apertar e segurar a partir da ponta em formato de cone especialmente projetada, que permite penetrar profundamente na peça. Se for usado em um projeto de ponta plana, eles podem suportar desgaste sem comprometer sua integridade estrutural. Para eliminar danos estruturais e ainda permitir mudanças frequentes, você pode usar esses parafusos em estilo oval. Ele está disponível em aço inoxidável, aço carbono e aço-liga para suportar mais desgaste e, ao mesmo tempo, torná-lo mais resistente à corrosão.
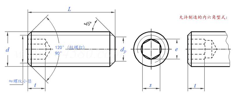
Demensão:
Tamanho:
DIN913:M2-M24 (CABEÇA PLANA)
DIN916: M2-M24 (CABEÇA DE PONTO DE COPO)
DIN915: M2-M24 (CABEÇA DE CÃO)
DIN914:M2-M24(CABEÇA CONE)
DESCRIÇÃO:
Os parafusos de fixação de soquete da YPH Fasteners são usados em aplicações que exigem um forte poder de retenção por meio de compressão. Eles são usados na construção de colares de eixo, portas de saída, maçanetas e barras de proteção. Eles devem ser apertados o suficiente para manter a posição comprimida sem quebrar devido ao torque aplicado. A força de retenção axial do parafuso pode ser aumentada apertando-o mais. Existem vários estilos em que esses parafusos podem ser usados.
Dependendo da necessidade de usinagem, são utilizados na montagem de conjuntos de peças permanentes e semipermanentes. Esses parafusos obtêm a capacidade de apertar e segurar a partir da ponta em formato de cone especialmente projetada, que permite penetrar profundamente na peça. Se for usado em um projeto de ponta plana, eles podem suportar desgaste sem comprometer sua integridade estrutural. Para eliminar danos estruturais e ainda permitir mudanças frequentes, você pode usar esses parafusos em estilo oval. Ele está disponível em aço inoxidável, aço carbono e aço-liga para suportar mais desgaste e, ao mesmo tempo, torná-lo mais resistente à corrosão.
Demensão:
Tamanho:
DIN913:M2-M24 (CABEÇA PLANA)
DIN916: M2-M24 (CABEÇA DE PONTO DE COPO)
DIN915: M2-M24 (CABEÇA DE CÃO)
DIN914:M2-M24(CABEÇA CONE)